ЭЛЕКТРОДВИГАТЕЛИ 2П2К, 2П2КМ

Электродвигатели постоянного тока смешанного или последовательного возбуждения типов 2П2К, 2П2КМ предназначены для привода компрессора тепловоза.

Общие сведения

  • Напряжение якоря, 110 В;
  • Способ охлаждения IC01 по ГОСТ 20459;
  • Степень защиты IP22 по ГОСТ 14254;
  • Исполнение по способу монтажа IM1003 по ГОСТ 2479;
  • Климатическое исполнение и категория размещения по ГОСТ 15150 - УХЛ2, Т2, У2;
  • Масса электродвигателя 550 кг.

Возбуждение смешанное и последовательное

2П2К
25 кВт
1000 об/мин


Возбуждение смешанное

2П2К
37 кВт
1450 об/мин


Возбуждение последовательное

2П2КМ
32,5 кВт
1400 об/мин


Возбуждение смешанное

2П2КМ
37 кВт
1700 об/мин


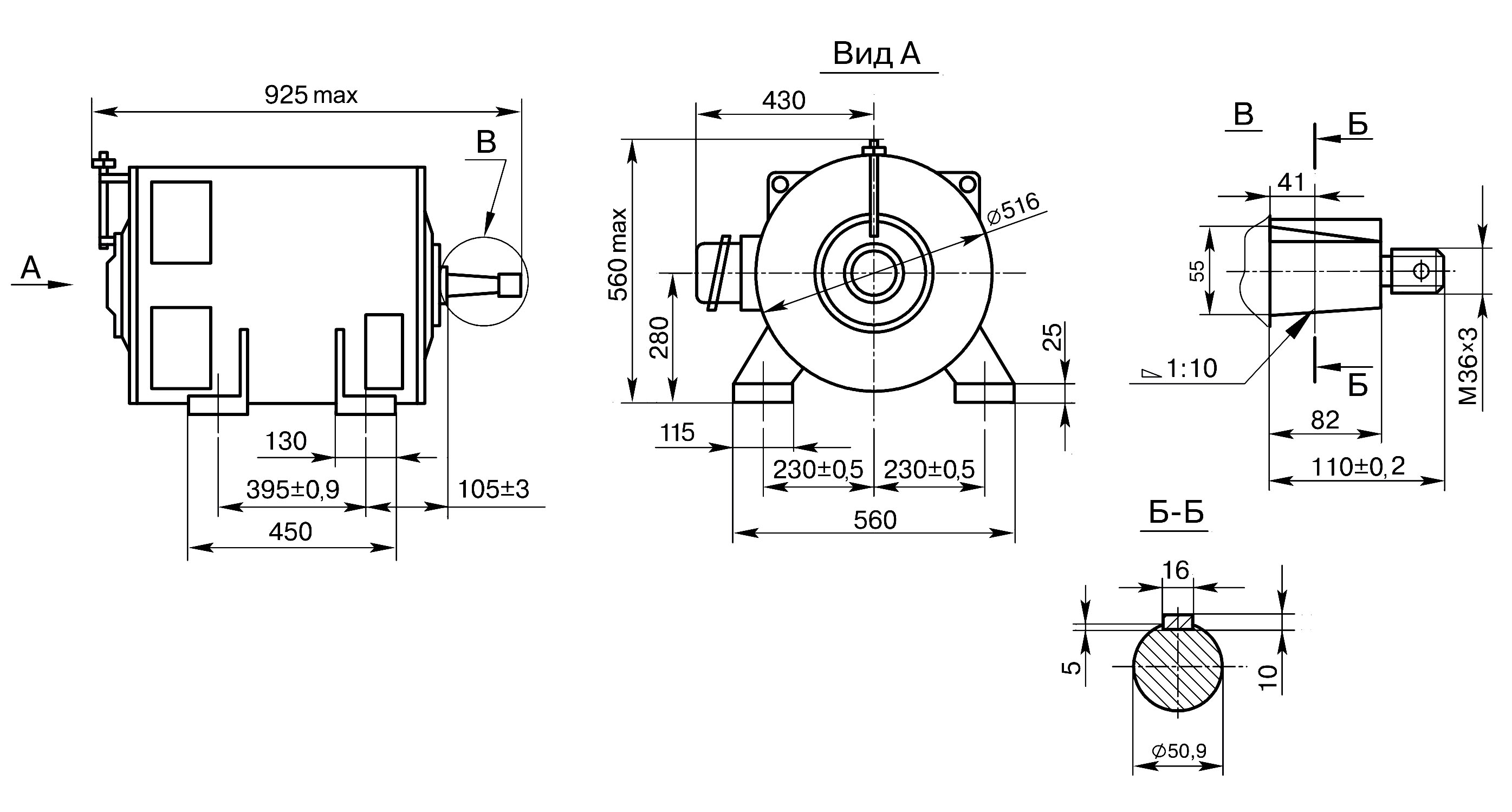
Габаритные и установочные размеры электродвигателей 2П2К, 2П2КМ