ПРОИЗВОДСТВО И ПОСТАВКА
+7 (3822) 286-440
Отличительные особенности двигателей типа:
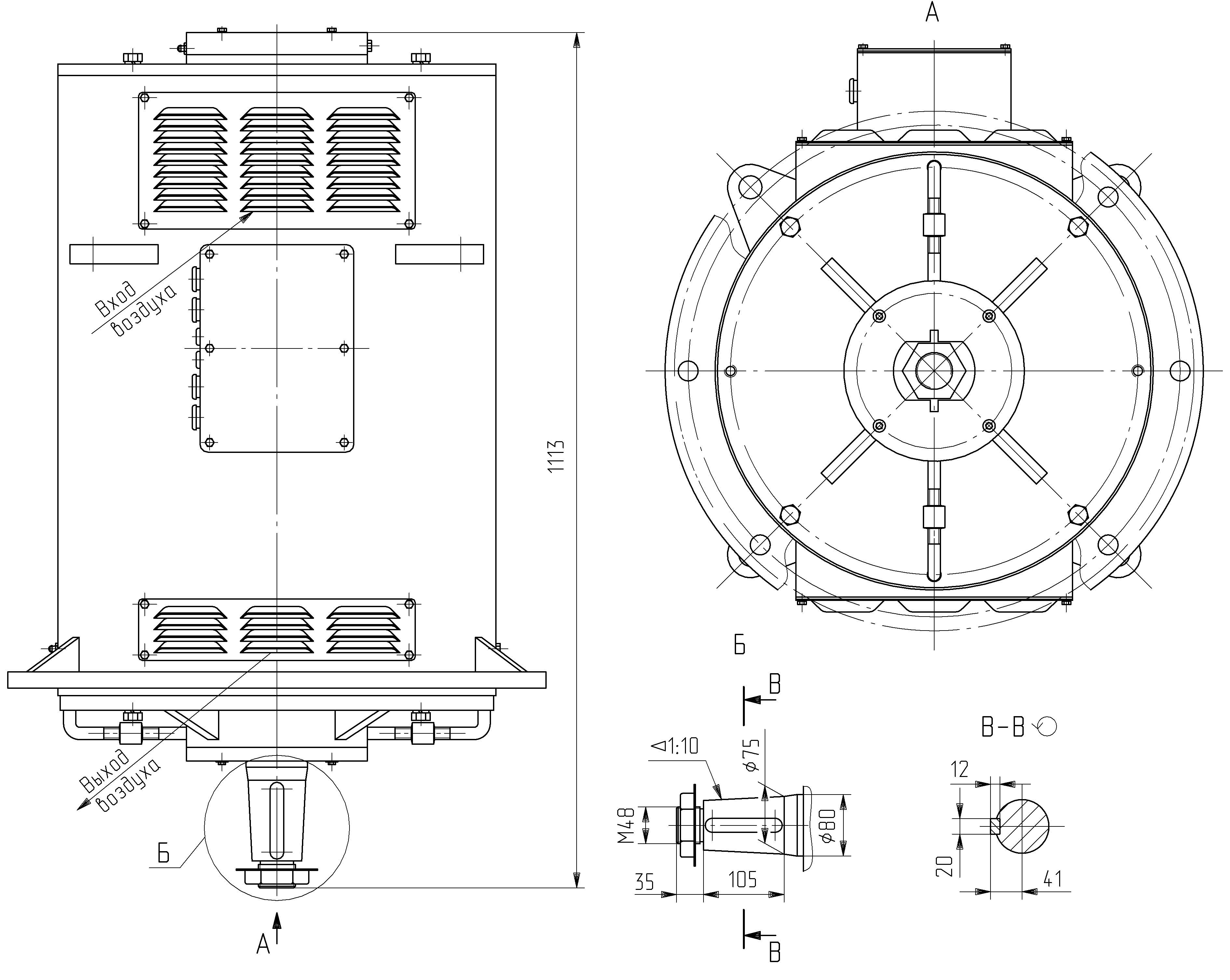
Д808Б - вертикально-фланцевый, со стандартным фланцем и стандартным коническим концом вала; самовентиляция эффективна при средних и высоких оборотах; добавление смазки без разборки двигателя возможно во все подшипниковые узлы, в том числе нижний, где расположен упорный подшипник.
Д808Б1 - аналогичен Д808Б, отличается размерами фланца и конца вала для возможности замены экскаваторного двигателя ДПВ52, который ранее применялся на буровых станках.
Д808Б2 - аналогичен Д808Б, отличается стандартным цилиндрическим концом вала, наличием тахогенератора и вентилятора - "наездника" для эффективного использования двигателя при малой частоте вращения.
КР808Б - предназначен для замены бурового двигателя типа MDV808AA фирмы GE; имеет спец. конец вала, манжету в нижней крышке подшипника для защиты от попадания масла из редуктора при наклоне мачты бурового станка; длина корпуса уменьшена. Возможны другие исполнения двигателей и применения их на механизмах с тяжелыми условиями работы.
ТЕХНИЧЕСКИЕ ХАРАКТЕРИСТИКИ
| Тип | Режим работы |
Мощность, кВт |
Напряжение, В |
Частота вращения, об/мин |
Максимальный крутящий момент, Н*м |
Момент инерции, кг*м2 |
Способ возбуждения |
Напряжение возбуждения, В |
| Д808Б | S1 | 90 | 220 | 1500/2300 | 1480 | 2,1 | независимый | 220 |
| Д808Б1 | S1 | 90 | 220 | 1500/2300 | 1480 | 2,1 | независимый | 220 |
| Д808Б2 | S1 | 90 | 220 | 1500/2300 | 1480 | 2,1 | независимый | 220 |
| Д808Б | S1 | 90 | 440 | 1500/3000 | 1370 | 2 | независимый | 220 |
| Д808Б1 | S1 | 90 | 440 | 1500/3000 | 1370 | 2 | независимый | 220 |
| Д808Б2 | S1 | 90 | 440 | 1500/3000 | 1370 | 2 | независимый | 220 |
| КР808Б | S1 | 90 | 440 | 1500/2500 | 2180 | 2 | независимый | 85 |
ГАБАРИТНЫЕ РАЗМЕРЫ ЭЛЕКТРОДВИГАТЕЛЯ Д808Б1 90 кВт